Interfaccia Web per Rotex RPS/2 e RPS/3

Sistemi elettronici di controllo e monitoraggio, Arduino, Rasberry ecc.

Moderatori: gasala50, FabioR

Avatar utente
gasala50
Messaggi: 107
Iscritto il: mar dic 02, 2008 2:53 pm
Località: Grosio (SO)

Re: Interfaccia Web per Rotex RPS/2 e RPS/3

Messaggioda gasala50 » mer apr 07, 2010 8:08 pm

fcattaneo ha scritto:
gasala50 ha scritto:
Beh..! mica tanto economici :? Io ho acquistato il "PICkit2" della microchip unitamente alla scheda ICSP "PIC-P18" della http://www.Olimex.com/dev, ma fino ad ora non sono riuscito a farlo funzionare .... sulla carta sembra che sia compatibile ma.... perdo la pazienza quando non capisco perchè.



Ho sentito Sergio questa sera al telefono e gli ho detto se era disponibile a darti il suo PIC di scorta ( ne ha uno perfettamente funzionante ma con un firmware vecchio che da un errore nei dati se la TK va sotto zero) ; lui si e' dichiarato disponibile.

Penso che per adesso e per fare delle prove, ti andrebbe benissimo.. almeno fino a che non riuscirai direttamente tu a programmarti il PIC..

Mi sembra che Sergio sia delle tue parti...

Ciao,
F.


Può essere un'idea ....come faccio a contattarlo.... Invio un MP a Sergio ?
Intanto ho qualche novità sono riuscito ad installare correttamente il SW x il PICkit2 ed ho "write e verify" il File cdc.hex.
Ho provato ad installarlo sulla mia scheda prototipo ma non ho ottenuto risultati
visibili... dati sempre a 0°C. Come posso fare qualche verifica ?
il set della velocità a 9600 su RPS3 è corretto?
Ho il quarzo a 4 MHz per ora ...può essere bloccante.
E.... quante domande ... :oops:
foto-048.jpg
(126.65 KiB) Mai scaricato
Cordiali Saluti
Giulio

STAFF
Site Admin
Messaggi: 1850
Iscritto il: mar nov 27, 2007 7:44 pm
Contatta:

Re: Interfaccia Web per Rotex RPS/2 e RPS/3

Messaggioda STAFF » mer apr 07, 2010 8:27 pm

gasala50 ha scritto:Può essere un'idea ....come faccio a contattarlo.... Invio un MP a Sergio ?


Intanto ho qualche novità sono riuscito ad installare correttamente il SW x il PICkit2 ed ho "write e verify" il File cdc.hex.
Ho provato ad installarlo sulla mia scheda prototipo ma non ho ottenuto risultati
visibili... dati sempre a 0°C. Come posso fare qualche verifica ?
il set della velocità a 9600 su RPS3 è corretto?



Prova a mandargli un MP.

Con il quarzo a 4 non va la comunicazione a 9600 boud richiesta tra il PIC e il Siteplayer.

Il settaggio della RPS/3 a 9600 va bene ( se lo si abbassa a 2400 funziona anche a 4 Mhz ma poi NOn comunica verso il siteplayer, ergo non si vede nulla.. ).

Ciao,
F.

Avatar utente
gasala50
Messaggi: 107
Iscritto il: mar dic 02, 2008 2:53 pm
Località: Grosio (SO)

Re: Interfaccia Web per Rotex RPS/2 e RPS/3

Messaggioda gasala50 » mer apr 07, 2010 8:32 pm

fcattaneo ha scritto:
gasala50 ha scritto:Può essere un'idea ....come faccio a contattarlo.... Invio un MP a Sergio ?


Intanto ho qualche novità sono riuscito ad installare correttamente il SW x il PICkit2 ed ho "write e verify" il File cdc.hex.
Ho provato ad installarlo sulla mia scheda prototipo ma non ho ottenuto risultati
visibili... dati sempre a 0°C. Come posso fare qualche verifica ?
il set della velocità a 9600 su RPS3 è corretto?



Prova a mandargli un MP.

Con il quarzo a 4 non va la comunicazione a 9600 boud richiesta tra il PIC e il Siteplayer.

Il settaggio della RPS/3 a 9600 va bene ( se lo si abbassa a 2400 funziona anche a 4 Mhz ma poi NOn comunica verso il siteplayer, ergo non si vede nulla.. ).

Ciao,
F.

Grazie ... Ho capito devo sostituire il quarzo.....
Cordiali Saluti
Giulio

Avatar utente
sergio&teresa
Messaggi: 2005
Iscritto il: mer giu 24, 2009 10:29 pm

Re: Interfaccia Web per Rotex RPS/2 e RPS/3

Messaggioda sergio&teresa » mer apr 07, 2010 8:46 pm

Oltre a confermare la disponibilità... non so dare grandi aiuti perchè per me è quasi tutto arabo quello che avete scritto... :shock:

Ricordo solo che Fabrizio mi fece cambiare il tempo di invio dati sulla seriale della RPS/3 (parametro "ciclo /s") da 10 a 5 secondi... non so se serva a fare passi avanti, ma non mi sembra che sia tra le info scritte finora. :wink:
Segui il mio impianto su Portalsole:
Liveplant3

Avatar utente
gasala50
Messaggi: 107
Iscritto il: mar dic 02, 2008 2:53 pm
Località: Grosio (SO)

Re: Interfaccia Web per Rotex RPS/2 e RPS/3

Messaggioda gasala50 » sab apr 10, 2010 3:03 pm

fcattaneo ha scritto:Con il quarzo a 4 non va la comunicazione a 9600 boud richiesta tra il PIC e il Siteplayer.
Il settaggio della RPS/3 a 9600 va bene ( se lo si abbassa a 2400 funziona anche a 4 Mhz ma poi NOn comunica verso il siteplayer, ergo non si vede nulla.. ).

Ciao,
F.


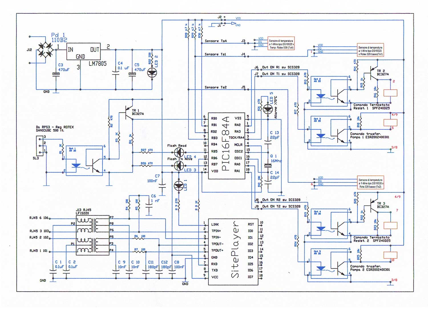
E' arrivato il quarzo... e subito l'ho messo in prova... mi sono attrezzato di oscilloscopio perchè il tutto non mi aggiorna la pagina "sinottico.html".
- Fatto la modifica che mi avevi consigliato ed ho aggiornato lo schema che allego;
- Ricaricato il SW "cdc.hex" sul PIC16F84A con la configuration Word settata 3FF2;
- Ricontrollato su RPS3 il "Zyklus /s:5" (sti Tedeschi) la velocità a 9600;
Quindi vedo a 16 MHz la Osc1 e Osc2, vedo passare il Burst di impulsi da livello alto in assenza di trasmissione e verso il basso quando entra il dato ogni 5 secondi sul pin 6 del PIC..... e non vedo niente in uscita sul pin 13 dello stesso salvo un passaggio a gradino da alto verso basso e a fine trasm. il passaggio rovescio e...... non vedo aggiornarsi i dati sulla pagina Web :oops:
Hai qualche idea su come fare il debag ?
Cordiali Saluti
Giulio

STAFF
Site Admin
Messaggi: 1850
Iscritto il: mar nov 27, 2007 7:44 pm
Contatta:

Re: Interfaccia Web per Rotex RPS/2 e RPS/3

Messaggioda STAFF » sab apr 10, 2010 10:48 pm

gasala50 ha scritto:
Quindi vedo a 16 MHz la Osc1 e Osc2, vedo passare il Burst di impulsi da livello alto in assenza di trasmissione e verso il basso quando entra il dato ogni 5 secondi sul pin 6 del PIC..... e non vedo niente in uscita sul pin 13 dello stesso salvo un passaggio a gradino da alto verso basso e a fine trasm. il passaggio rovescio e...... non vedo aggiornarsi i dati sulla pagina Web :oops:



Cazzo !!
L'uscita seriale e' su RB6 e non RB7 .. ho fatto un altro errore......

Devi collegarti su RB6 PIN 12.. e' li che il segnale esce per raggiungere il Siteplayer....

Dai fai questa saldatura.. e dimmi che va'.

Notte,
F.

Avatar utente
gasala50
Messaggi: 107
Iscritto il: mar dic 02, 2008 2:53 pm
Località: Grosio (SO)

Re: Interfaccia Web per Rotex RPS/2 e RPS/3

Messaggioda gasala50 » dom apr 11, 2010 5:05 pm

fcattaneo ha scritto:
L'uscita seriale e' su RB6 e non RB7 .. ho fatto un altro errore......

Devi collegarti su RB6 PIN 12.. e' li che il segnale esce per raggiungere il Siteplayer....

Dai fai questa saldatura.. e dimmi che va'.

Notte,
F.


Eureka ..........!!!!!!!!!! Funziona :shock: è un gioiello; scusa il ritardo me mi ero un po demoralizzato .. e non avevo più letto il forum.
Comunque ero sicuro che si trattasse di una banalità tantè che in allegato invio
lo schema sinottico adattato alle mie esigenze che proseguirà la programmazione.
Ho aggiornato anche lo schema :mrgreen:
Sinottico1.jpg
Sch_ACS_Dlog.png

Dimmi cosa ne pensi, anche sulle dimensioni ho qualche dubbio...
Cordiali Saluti
Giulio

STAFF
Site Admin
Messaggi: 1850
Iscritto il: mar nov 27, 2007 7:44 pm
Contatta:

Re: Interfaccia Web per Rotex RPS/2 e RPS/3

Messaggioda STAFF » lun apr 12, 2010 4:01 pm

gasala50 ha scritto:...
in allegato invio
lo schema sinottico adattato alle mie esigenze che proseguirà la programmazione.

Dimmi cosa ne pensi, anche sulle dimensioni ho qualche dubbio...


Non esagerare con i Kb dell'immagine perche se no la compilazione fallisce per mancanza di spazio...
Per capire come funziona la pagina basta che guardi co notepad il file sinottico.html ... ho usato i riferimenti assoluti del CSS e quindi e' facile modificarla perle tue esigenze.

Mandami poi in MP il link ddns per vedere il tuo impianto ed entrare a curiosare nel Siteplayer..

Ciao,
F.

Avatar utente
gasala50
Messaggi: 107
Iscritto il: mar dic 02, 2008 2:53 pm
Località: Grosio (SO)

Re: Interfaccia Web per Rotex RPS/2 e RPS/3

Messaggioda gasala50 » lun apr 12, 2010 11:03 pm

fcattaneo ha scritto:Non esagerare con i Kb dell'immagine perche se no la compilazione fallisce per mancanza di spazio...
Mandami poi in MP il link ddns per vedere il tuo impianto ed entrare a curiosare nel Siteplayer..
Ciao,
F.


Ho già migliorato la dimensione del file sinottico poi ti manderò l'aggiornamento...
Invece per il ddns, domani in giornata procederò ad aprire l'account su "Dynamic.com" x un
D_DNS Free, poi invierò via MP il link.... avrei un sacco di domande su questo argomento, ma prima bisogna che leggo un pò le istruzioni. ...... E' tardi .... Buona notte!
Cordiali Saluti
Giulio

Avatar utente
gasala50
Messaggi: 107
Iscritto il: mar dic 02, 2008 2:53 pm
Località: Grosio (SO)

Re: Interfaccia Web per Rotex RPS/2 e RPS/3

Messaggioda gasala50 » mer apr 14, 2010 7:35 pm

fcattaneo ha scritto:Mandami poi in MP il link ddns per vedere il tuo impianto ed entrare a curiosare nel Siteplayer..

Ciao,
F.


Dopo la prova del ddns da parte tua mi ha incuriosito come richiamavi il link...
Ho fatto fare una prova dall'esterno della rete da mia figlia ... e il risultato che vede i dati reali come li vedo all'interno della rete con il file.xml..... Non mi è chiaro.

Dopo la chiacchierata su come procedere nello sviluppo del progetto.... ho realizzato una prima "bozza", e allego lo schema aggiornato con le due sonde di temperatura del tipo 1-Wire DS18S20 che ho visto su Rs ad un costo circa 7 €/una dimmi se oK ... ho visto sul sito della maxim la rotine sviluppata in "C" per la conversione direttamente in digitale della temperetura (da -55°C a 85°C).
;
Sch_ACS_Agg.png


Aggiungo il file.jpg ;
liveplant1.jpg

e
trasferimento.png

questi è, sempre in bozza, la routine per il comando pompa di trasferimento energia ..... :oops:
Volevo aggiungere un altro file in attachment ma ... siamo limitati a tre ?
Invierò in un secondo tempo la routine "termostato" per il controllo della resistenza di riscaldo ACS quando non c'è il solare.....
Cordiali Saluti
Giulio

Avatar utente
gasala50
Messaggi: 107
Iscritto il: mar dic 02, 2008 2:53 pm
Località: Grosio (SO)

Re: Interfaccia Web per Rotex RPS/2 e RPS/3

Messaggioda gasala50 » ven apr 16, 2010 10:06 pm

fcattaneo ha scritto:Non esagerare con i Kb dell'immagine perche se no la compilazione fallisce per mancanza di spazio...

Ciao,
F.


Piccolo aggiornamento che conferma il limite in Kb (48,3) visualizzazione di liveplant... dai un occhiata al link ddns.
Invio la routine "Bozza" del termostato di controllo della/e R da 2 KW
Termostato.png
(98.58 KiB) Mai scaricato


Come sarà possibile inserire le altre variabili e valori calcolati come "tot. KWh Prodotti" e "KWh Prodotti Oggi", quelli che ho infilati sono valori statici x vedere l'effetto; Come si può inserire la data e ora del sistema come già avete fatto su altre pagine..... work in progress.
Cordiali Saluti
Giulio

Avatar utente
gasala50
Messaggi: 107
Iscritto il: mar dic 02, 2008 2:53 pm
Località: Grosio (SO)

Re: Interfaccia Web per Rotex RPS/2 e RPS/3

Messaggioda gasala50 » mar mag 11, 2010 10:24 pm

gasala50 ha scritto:.. work in progress.


Aggiornamento dello schema base per lo sviluppo dell'applicazione ..
Sch_PICxACS.jpg
(163.19 KiB) Mai scaricato
derivato dalla visita al sito dove si parla di sensori di temperatura digitali DS1820 ; da considerarsi bozza di prova.
Cordiali Saluti
Giulio

STAFF
Site Admin
Messaggi: 1850
Iscritto il: mar nov 27, 2007 7:44 pm
Contatta:

Re: Interfaccia Web per Rotex RPS/2 e RPS/3

Messaggioda STAFF » mar ago 03, 2010 1:00 pm

gasala50 ha scritto:.. work in progress.



Primi giorni di ferie ed ho trovato il tempo di mettere in linea i dati memorizzati del tuo sito :

http://www.portalsole.it/solaretermico_ ... /chart.php

Per il sinottico serve ancora piu' tempo e forse e' meglio farlo sulla base nel nuovo HD.

Ciao,
Fabrizio.

Avatar utente
gasala50
Messaggi: 107
Iscritto il: mar dic 02, 2008 2:53 pm
Località: Grosio (SO)

Re: Interfaccia Web per Rotex RPS/2 e RPS/3

Messaggioda gasala50 » mar ago 03, 2010 2:11 pm

fcattaneo ha scritto:
gasala50 ha scritto:.. work in progress.



Primi giorni di ferie ed ho trovato il tempo di mettere in linea i dati memorizzati del tuo sito :

http://www.portalsole.it/solaretermico_ ... /chart.php

Per il sinottico serve ancora piu' tempo e forse e' meglio farlo sulla base nel nuovo HD.

Ciao,
Fabrizio.

Magnifico ..... :mrgreen: Ora riesco a vedere tutti o quasi i miei dati completi di grafici.

Per il sinottico, io pensavo che tu potessi utilizzare quello che ho già preparato adattato al nuovo Hardware con nome "sinottico" o "liveplant0.jpg" e lo puoi vedere all'indirizzo http:// .... fammi sapere :mrgreen:
Liveplant0.jpg
(29.15 KiB) Mai scaricato

I file necessari puoi recuperarli dalla penna Usb che ti ho inviato.
Ultima modifica di gasala50 il mer ago 04, 2010 7:52 am, modificato 1 volta in totale.
Cordiali Saluti
Giulio

Avatar utente
sergio&teresa
Messaggi: 2005
Iscritto il: mer giu 24, 2009 10:29 pm

Re: Interfaccia Web per Rotex RPS/2 e RPS/3

Messaggioda sergio&teresa » mar ago 03, 2010 9:26 pm

Ciao Giulio, gran produzione! Si vede che siete tre famiglie... :wink:

Forse è meglio che rimuovi il link diretto alla tua interfaccia, prima che te la bombardino...

Vai con Liveplant4!!! :D :D

Ciao
Sergio
Segui il mio impianto su Portalsole:
Liveplant3


Torna a “Domotica, monitoraggio e controllo.”



Chi c’è in linea

Visitano il forum: Nessuno e 1 ospite