Interfaccia Web per Rotex RPS/2 e RPS/3

Sistemi elettronici di controllo e monitoraggio, Arduino, Rasberry ecc.

Moderatori: gasala50, FabioR

Avatar utente
gasala50
Messaggi: 107
Iscritto il: mar dic 02, 2008 2:53 pm
Località: Grosio (SO)

Re: Interfaccia Web per Rotex RPS/2 e RPS/3

Messaggioda gasala50 » gio set 09, 2010 11:04 am

fcattaneo ha scritto:Primi giorni di ferie ed ho trovato il tempo di mettere in linea i dati memorizzati del tuo sito :
http://www.portalsole.it/solaretermico_ ... /chart.php
..........
Ciao,
Fabrizio.


Eureka ..... Il Software e l'Hardware è maturo......
Oggi ho provato la funzionalità completa della nuova interfaccia Web e ....
tutto funziona..... :mrgreen:

Ecco lo schema con l'ultima modifica,
Modifica-Sch_PICxACS.jpg
(160.75 KiB) Mai scaricato


Ho inserito un po' di Nand per abilitare/bloccare la funzione di alimentare le resistenze x scaldare l'acqua in mancanza di energia solare e quando la tariffa bioraria è più conveniente.

Devo confermare a Fabrizio che dopo l'ultima miglioramento del timing della 232, non ho più avuto problemi con la linea ethernet di link ... ora funziona come un treno.. :wink: complimenti.
Probabilmente la ulteriore modifica per il "Reset del SitePlayer" non è più necessaria. (meglio così, toglierò la R da 1k dal pin 10 del webserver).

Ho visto con piacevole sorpresa che è comparsa con la scritta "New" il richiamo alla pagina che rappresenta il mio impianto. :lol: .. ecco l'indirizzo: http://www.portalsole.it/liveplant.php
Cordiali Saluti
Giulio

Avatar utente
sergio&teresa
Messaggi: 2005
Iscritto il: mer giu 24, 2009 10:29 pm

Re: Interfaccia Web per Rotex RPS/2 e RPS/3

Messaggioda sergio&teresa » gio set 09, 2010 9:11 pm

gasala50 ha scritto:Ho visto con piacevole sorpresa che è comparsa con la scritta "New" il richiamo alla pagina che rappresenta il mio impianto. :lol: .. ecco l'indirizzo: http://www.portalsole.it/liveplant.php


Grande Giulio, benvenuto nella famiglia Liveplant!!! :D :D :D

Quel "New" ormai sul mio era scolorito.... :mrgreen:

Ciao!
Sergio
Segui il mio impianto su Portalsole:
Liveplant3

Avatar utente
gasala50
Messaggi: 107
Iscritto il: mar dic 02, 2008 2:53 pm
Località: Grosio (SO)

Re: Interfaccia Web per Rotex RPS/2 e RPS/3

Messaggioda gasala50 » gio set 09, 2010 9:40 pm

sergio&teresa ha scritto:
gasala50 ha scritto:Ho visto con piacevole sorpresa che è comparsa con la scritta "New" il richiamo alla pagina che rappresenta il mio impianto. :lol: .. ecco l'indirizzo: http://www.portalsole.it/liveplant.php


Grande Giulio, benvenuto nella famiglia Liveplant!!! :D :D :D

Quel "New" ormai sul mio era scolorito.... :mrgreen:

Ciao!
Sergio


Hai visto che bello .. :mrgreen: ... e non è finita; c'è ancora qualche piccola ma inportante modifica.... quel Fabrizio ne sa una di più del diavolo, a proposito di "diavoleria"; ====> work in progress :wink:
Cordiali Saluti
Giulio

ghimax
Messaggi: 6
Iscritto il: mer ott 06, 2010 9:45 am

Re: Interfaccia Web per Rotex RPS/2 e RPS/3

Messaggioda ghimax » mer ott 06, 2010 9:48 am

ciao,
mi puoi dare le informazioni di come collegare la mia centralina on line?

Avatar utente
gasala50
Messaggi: 107
Iscritto il: mar dic 02, 2008 2:53 pm
Località: Grosio (SO)

Re: Interfaccia Web per Rotex RPS/2 e RPS/3

Messaggioda gasala50 » mer ott 06, 2010 2:06 pm

ghimax ha scritto:ciao,
mi puoi dare le informazioni di come collegare la mia centralina on line?

Ciao....ghimax,
vedo che ti sei iscritto al Forum da pochissimo; Ok.... penso che tu possa osservare gli impianti degli amici di "portalsole" all'indirizzo http://www.portalsole.it/liveplant.php
se poi guardi il "mio" un pò particolare con l'appellativo "NEW" all'indirizzo http://www.portalsole.it/solaretermico_gasala.php ... li potrai, leggendo la "descrizione dell'impianto" , comprendere "come collegare la tua centralina" .
Se poi hai bisogno di qualche altra spiegazione, potrai fare altre domande sul Forum.
Ciao ... buona lettura :mrgreen:
Cordiali Saluti
Giulio

STAFF
Site Admin
Messaggi: 1850
Iscritto il: mar nov 27, 2007 7:44 pm
Contatta:

Re: Interfaccia Web per Rotex RPS/2 e RPS/3

Messaggioda STAFF » mer ott 06, 2010 5:40 pm

gasala50 ha scritto:
ghimax ha scritto:ciao,
mi puoi dare le informazioni di come collegare la mia centralina on line?

Ciao....ghimax,

... li potrai, leggendo la "descrizione dell'impianto" , comprendere "come collegare la tua centralina" .
Se poi hai bisogno di qualche altra spiegazione, potrai fare altre domande sul Forum.



Gianni, l'amico Ghimax mi ha contattato via MP e non ha un impianto con la RPS/3 ma un normale impianto a CF.
Potrebbe andargli bene la centralina che vorremmo fare per permettere la visualizzazione dei dati su WEB tramite una interfaccia adattabile .

Ghimax, noi sicuramente promuoveremo una centralina di questo tipo ma occorre sapersi destreggiare con circuiti stampati e saldatore...

Che ne dici ?

Ciao,
F.

Avatar utente
gasala50
Messaggi: 107
Iscritto il: mar dic 02, 2008 2:53 pm
Località: Grosio (SO)

Re: Interfaccia Web per Rotex RPS/2 e RPS/3

Messaggioda gasala50 » mer ott 06, 2010 6:08 pm

fcattaneo ha scritto:
gasala50 ha scritto:
ghimax ha scritto:ciao,
mi puoi dare le informazioni di come collegare la mia centralina on line?

Ciao....ghimax,

... li potrai, leggendo la "descrizione dell'impianto" , comprendere "come collegare la tua centralina" .
Se poi hai bisogno di qualche altra spiegazione, potrai fare altre domande sul Forum.



..... Potrebbe andargli bene la centralina che vorremmo fare per permettere la visualizzazione dei dati su WEB tramite una interfaccia adattabile .

Ghimax, noi sicuramente promuoveremo una centralina di questo tipo ma occorre sapersi destreggiare con circuiti stampati e saldatore...

Che ne dici ?

Ciao,
F.

Ciao Ghimax, ti posso confermare la mia disponibilità, come anche ti ha detto Fabrizio, stiamo operando per tirar fuori qualcosa "un progetto" che possa andar bene anche al tuo caso ..... ma è necessario avere un po di passione per l'elettronica applicata anche a livello di hobby; Ripropongo l'interrogativo di Fabrizio ... Che ne dici ? :mrgreen:
Cordiali Saluti
Giulio

simone
Messaggi: 22
Iscritto il: sab set 19, 2009 11:08 am

Re: Interfaccia Web per Rotex RPS/2 e RPS/3

Messaggioda simone » lun ott 18, 2010 5:57 pm

Buonasera,mi chiamo Simone conoscente e paesano di gasala50,oggi pomeriggio sono stato a vedere il suo impianto dal vivo con in funzione l'interfaccia e devo dire un SEITE DEI GRANDI a tutti quelli che ci hanno lavorato e ci stanno ancora lavorando.
Io ho un impianto con un sanicube 538/16/0 e 3panelli V26orientato a -60 sud,oggi gasala mi ha dato delle dritte per migliorare il tutto in particolare delle modifche di valori.
Sarei interessato ad applicare l'interfaccia sul mio impianto,è possibile?gasala mi ha già detto (personalmente visualizzando già in precedenza il mio impianto) che non ci dovrebbero essere problemi.
vi allego lo schema del mio impianto,scusate per come è fatto ma penso che si capisca...aspetto vostri consigli e vi ringrazio in anticipo per le eventuali risposte.
Allegati
IMPIANTO 3.JPG
scema impianto Simone
(50.58 KiB) Mai scaricato

STAFF
Site Admin
Messaggi: 1850
Iscritto il: mar nov 27, 2007 7:44 pm
Contatta:

Re: Interfaccia Web per Rotex RPS/2 e RPS/3

Messaggioda STAFF » lun ott 18, 2010 7:19 pm

simone ha scritto:
Sarei interessato ad applicare l'interfaccia sul mio impianto,è possibile?gasala mi ha già detto (personalmente visualizzando già in precedenza il mio impianto) che non ci dovrebbero essere problemi.



Ciao Simone,
grazie dei complimenti.

Giuglio sicuramente potra' aiutarti se vorrai mettere l'interfaccia, pero' tieni presente che l'inserimento dei dati su Portalsole non credo che sara' possibile .
Lo spazio e il numero di impianti "digeribili dal sito" sta piano piano esaurendosi ..

Ad ogni modo io ho in mente di fare una interfaccia molto particolare in futuro... basandomi su di una Linux Box commerciale, vorrei riuscire a realizzare un sistema completo di monitoraggio uguale a quello offerto da Portalsole, ma funzionante in locale e in modo quindi distribuito.

Devo rimettermi a studiare per questo.. ( non il C. ma almeno Pyton ) quindi non assicuro nulla... diciamo che ci lavorero' ;-))
Certo trovassi una buona anima che gia lo conosce e che mi vuole aiutare.... ;-)


Ciao,
F.

Avatar utente
gasala50
Messaggi: 107
Iscritto il: mar dic 02, 2008 2:53 pm
Località: Grosio (SO)

Re: Interfaccia Web per Rotex RPS/2 e RPS/3

Messaggioda gasala50 » lun ott 18, 2010 9:10 pm

fcattaneo ha scritto:
simone ha scritto:
Sarei interessato ad applicare l'interfaccia sul mio impianto,è possibile?gasala mi ha già detto (personalmente visualizzando già in precedenza il mio impianto) che non ci dovrebbero essere problemi.


.......
Ad ogni modo io ho in mente di fare una interfaccia molto particolare in futuro... basandomi su di una Linux Box commerciale, vorrei riuscire a realizzare un sistema completo di monitoraggio uguale a quello offerto da Portalsole, ma funzionante in locale e in modo quindi distribuito.

Devo rimettermi a studiare per questo.. ( non il C. ma almeno Pyton ) quindi non assicuro nulla... diciamo che ci lavorero' ;-))
Certo trovassi una buona anima che gia lo conosce e che mi vuole aiutare.... ;-)
Ciao,
F.


Ciao Fabrizio,
Vedo che sei sempre in piena attività .....
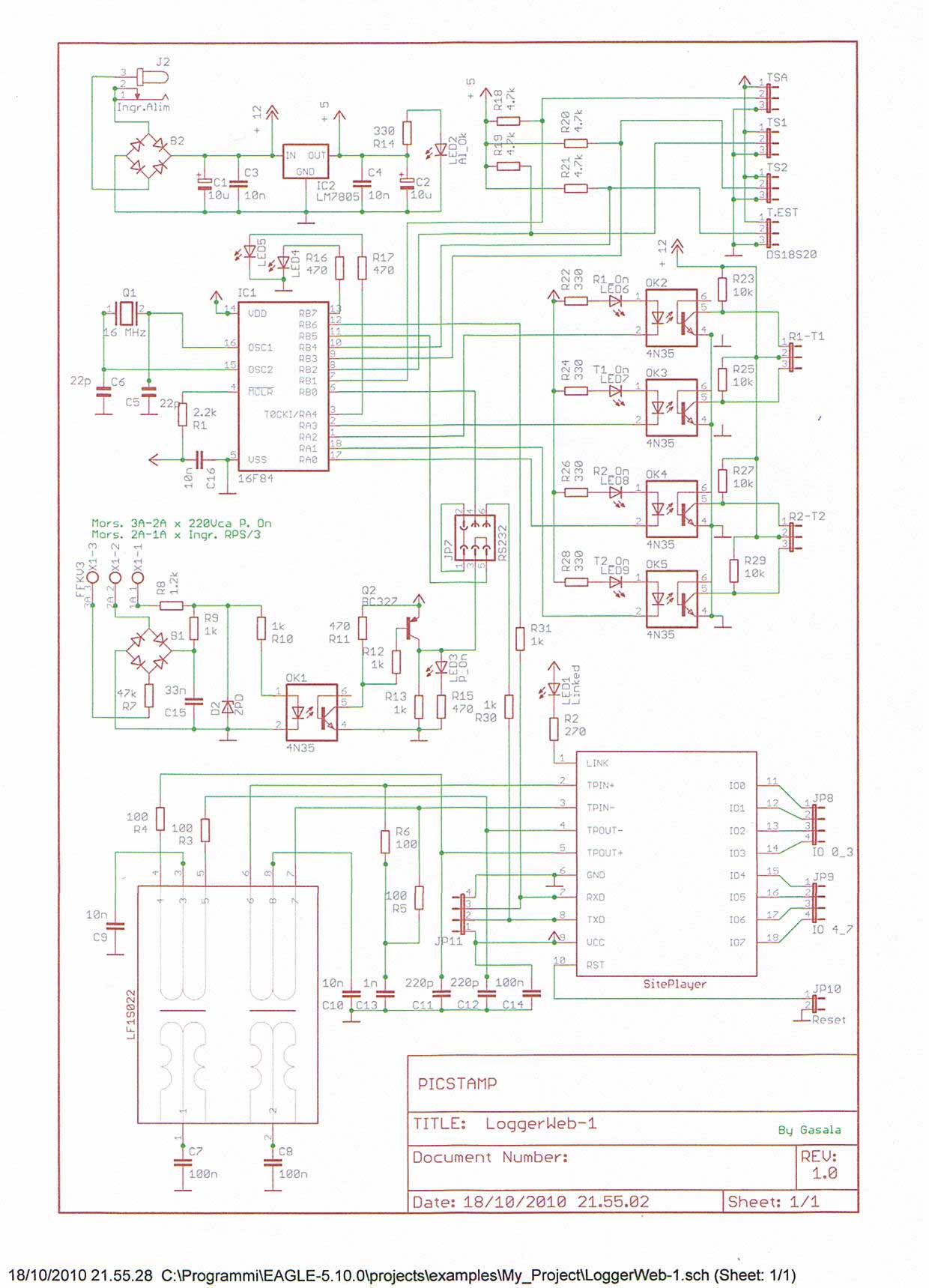
Lo schema e il circuito stampato fatto con EagleCad è pronto, c'è stato per un pelo, vista la limitazione della versione light, ti allego i due file in formato Jpg per una verifica circuitale, se manca qualche cosa o altro, poi se vuoi ti invio via e-mail i files in formato Eagle .... :mrgreen:
Ecco il file schema:
LoggerWeb-1_sch.jpg
(151.71 KiB) Mai scaricato
e il file Circuito Stampato :
LoggerWeb-1_brd.jpg
(214.21 KiB) Mai scaricato
.
e se va bene iniziamo una nuova discussione.
Ciao
Cordiali Saluti
Giulio

GHIGHI
Messaggi: 62
Iscritto il: mer gen 19, 2011 8:39 am

Re: Interfaccia Web per Rotex RPS/2 e RPS/3

Messaggioda GHIGHI » mar apr 12, 2011 11:08 am

Salve a tutti, io avrei la neccessità di collegare un dispaly all'uscita seriale della centralina Rps3 per remotare la temperatura dell'accumulo. Qualcuno mi può aiutare?

Grazie Alessio

STAFF
Site Admin
Messaggi: 1850
Iscritto il: mar nov 27, 2007 7:44 pm
Contatta:

Re: Interfaccia Web per Rotex RPS/2 e RPS/3

Messaggioda STAFF » mar apr 12, 2011 7:40 pm

fcattaneo ha scritto:
Ad ogni modo io ho in mente di fare una interfaccia molto particolare in futuro... basandomi su di una Linux Box commerciale, vorrei riuscire a realizzare un sistema completo di monitoraggio uguale a quello offerto da Portalsole, ma funzionante in locale e in modo quindi distribuito.

Devo rimettermi a studiare per questo.. ( non il C. ma almeno Pyton ) quindi non assicuro nulla... diciamo che ci lavorero' ;-))
Certo trovassi una buona anima che gia lo conosce e che mi vuole aiutare.... ;-)


Ciao,
F.


viewtopic.php?f=2&t=592

Forse la Buona Anima c'e' .... ;-)

Avatar utente
gasala50
Messaggi: 107
Iscritto il: mar dic 02, 2008 2:53 pm
Località: Grosio (SO)

Re: Interfaccia Web per Rotex RPS/2 e RPS/3

Messaggioda gasala50 » mer apr 13, 2011 2:31 am

fcattaneo ha scritto:
fcattaneo ha scritto:
Ad ogni modo io ho in mente di fare una interfaccia molto particolare in futuro... basandomi su di una Linux Box commerciale, vorrei riuscire a realizzare un sistema completo di monitoraggio uguale a quello offerto da Portalsole, ma funzionante in locale e in modo quindi distribuito.

Devo rimettermi a studiare per questo.. ( non il C. ma almeno Pyton ) quindi non assicuro nulla... diciamo che ci lavorero' ;-))
Certo trovassi una buona anima che gia lo conosce e che mi vuole aiutare.... ;-)


Ciao,
F.


viewtopic.php?f=2&t=592

Forse la Buona Anima c'e' .... ;-)


Ciao Fabrizio,
L'anima buona c'è, ma in quanto a conoscenza siamo a livello "Noefita", però mi sono comperato un libro "in tasca" PYTHON Codice e comandi essenziali e con un po di tempo arriverò alla meta, magari con aiuto di altri;
Per ora ho provato lo script php che mi hai mandato via mail ; dopo quache iniziale problema con i parametri di connessione al mio batabase ora sta funzionando.
C'è un piccolo problema non bloccante nell'esecuzione dello snippet "snoopy.class.php"; alla riga 54 mi notifica "$pagina = $pagina.$val; //Notice: Undefined variable: pagina".
Ti allego il file script_agg_acsgas50.php da me modificato che contiene anche lo scheduler... e da migliorare ... ma ora che ho visto i primi risultati proverò ad iniziare con esperimentare il Python.
:oops: accidenti l'estensione .php e .txt non è permessa... se mai la invio in messaggio privato o allegato ad una mail.
:mrgreen: ora è tardi ....
Cordiali Saluti
Giulio

STAFF
Site Admin
Messaggi: 1850
Iscritto il: mar nov 27, 2007 7:44 pm
Contatta:

Re: Interfaccia Web per Rotex RPS/2 e RPS/3

Messaggioda STAFF » mer apr 13, 2011 5:23 am

gasala50 ha scritto:
Per ora ho provato lo script php che mi hai mandato via mail ; dopo quache iniziale problema con i parametri di connessione al mio batabase ora sta funzionando.
C'è un piccolo problema non bloccante nell'esecuzione dello snippet "snoopy.class.php"; alla riga 54 mi notifica "$pagina = $pagina.$val; //Notice: Undefined variable: pagina".



Forse mi sono dimenticato di dirti che quello script necessita della classe snoopy ?
Se non la trovi te la invio io.

Ciao,
F.

Avatar utente
gasala50
Messaggi: 107
Iscritto il: mar dic 02, 2008 2:53 pm
Località: Grosio (SO)

Re: Interfaccia Web per Rotex RPS/2 e RPS/3

Messaggioda gasala50 » mer apr 13, 2011 7:03 am

fcattaneo ha scritto:
gasala50 ha scritto:
Per ora ho provato lo script php che mi hai mandato via mail ; dopo quache iniziale problema con i parametri di connessione al mio batabase ora sta funzionando.
C'è un piccolo problema non bloccante nell'esecuzione dello snippet "snoopy.class.php"; alla riga 54 mi notifica "$pagina = $pagina.$val; //Notice: Undefined variable: pagina".



Forse mi sono dimenticato di dirti che quello script necessita della classe snoopy ?
Se non la trovi te la invio io.

Ciao,
F.


Dunque l'ho scaricata e l'ho posizionata nel file di cofigurazione php.ini per l'include di windows path .... mi sembra corretta l'install dello snoopy.
Cordiali Saluti
Giulio


Torna a “Domotica, monitoraggio e controllo.”



Chi c’è in linea

Visitano il forum: Nessuno e 6 ospiti