Solare,Termocamino,Caldaia,Ricircolo
Moderatori: sergio&teresa, paolo
Solare,Termocamino,Caldaia,Ricircolo
Ciao a tutti.
Leggendo sul forum e sul sito ho tentato di schematizzare un impianto che integri un sistema a "scarico assoluto" collegato a un termocamino, con ricircolo sull'acqua sanitaria. Volevo qualche suggerimento/critica. Tengo a precisare che la soluzione di non utilizzare la caldaia per la produzione di acqua calda sanitaria e' solo un problema di impianto, attualmente la caldaia e' posta in una zona lontana da dove voglio installare il nuovo impianto con il sanicube.
Saluti
Massimo
Leggendo sul forum e sul sito ho tentato di schematizzare un impianto che integri un sistema a "scarico assoluto" collegato a un termocamino, con ricircolo sull'acqua sanitaria. Volevo qualche suggerimento/critica. Tengo a precisare che la soluzione di non utilizzare la caldaia per la produzione di acqua calda sanitaria e' solo un problema di impianto, attualmente la caldaia e' posta in una zona lontana da dove voglio installare il nuovo impianto con il sanicube.
Saluti
Massimo
- Allegati
-
- impianto-001.jpg
- formato jpg
- (67.49 KiB) Mai scaricato
-
- IMPIANTO.pdf
- Formato pdf
- (158.53 KiB) Scaricato 373 volte
Re: Solare,Termocamino,Caldaia,Ricircolo
mparini ha scritto:Ciao a tutti.
Leggendo sul forum e sul sito ho tentato di schematizzare un impianto che integri un sistema a "scarico assoluto" collegato a un termocamino, con ricircolo sull'acqua sanitaria. Volevo qualche suggerimento/critica.
Ciao Massimo, purtroppo anche per il tuo schema vale la regola che mi e' difficile capire circuiti complessi senza il commento 'live' del progettista.
Una cosa mi balza pero evidente.. un buon schema termico non deve contenere condizioni variabili in funzione delle temperature.. la regolazione deve essere al piu' possibile 'naturale' e reagire non con commutazioni quanto piuttosto con auto-adattamento .
Questo mi fa pensare che il tuo schema non possa funzionare.
Ciao,
F.
Re: Solare,Termocamino,Caldaia,Ricircolo
iao,
Le valvole a 3 vie descritte nell'impianto in scarico assoluto sono in auto-adattamento?. Nel sistema a scarico assoluto chi gestisce le valvole a 3 vie? E la pompa? Sula base di quali segnali?. Non essendo un tecnico ho cercato di seguire lo schema, forse ho un po' esagerato... :
Con delle valvole a 3 vie collegate a un PLC mi risulta chiaro dove il fluido va, altrimenti ho sempre l'impressione che gira dove non voglio.
L'impianto a scarico assoluto mi sembra che abbia una maggior difficoltà impiantistica, con programmazione della logica di funzionamento che di volta in volta sono da valutare sulla base delle potenze termiche necessarie e delle fonti disponibili. Forse alcune possibilità dovrebbero essere maggiormente valutate se utilizzabili ma se il problema e' un po' di tubo e una valvola preferisco spendere adesso e non precludermi nessuna strada in futuro.
Nel mio caso devo far convivere termocamino, caldaia, solare, acqua calda sanitaria, ricircolo.
Massimo
Le valvole a 3 vie descritte nell'impianto in scarico assoluto sono in auto-adattamento?. Nel sistema a scarico assoluto chi gestisce le valvole a 3 vie? E la pompa? Sula base di quali segnali?. Non essendo un tecnico ho cercato di seguire lo schema, forse ho un po' esagerato... :
L'impianto a scarico assoluto mi sembra che abbia una maggior difficoltà impiantistica, con programmazione della logica di funzionamento che di volta in volta sono da valutare sulla base delle potenze termiche necessarie e delle fonti disponibili. Forse alcune possibilità dovrebbero essere maggiormente valutate se utilizzabili ma se il problema e' un po' di tubo e una valvola preferisco spendere adesso e non precludermi nessuna strada in futuro.
Nel mio caso devo far convivere termocamino, caldaia, solare, acqua calda sanitaria, ricircolo.
Massimo
Re: Solare,Termocamino,Caldaia,Ricircolo
mparini ha scritto:Le valvole a 3 vie descritte nell'impianto in scarico assoluto sono in auto-adattamento?. Nel sistema a scarico assoluto chi gestisce le valvole a 3 vie? E la pompa? Sula base di quali segnali?.
Massimo,
le valvole a 3 vie schematizzate sui sinottici degli impianti on-line.. sono valvole manuali.
Nel mio caso e in quello di Maurizio le valvole vengono impostate manualmente per escludere l'integrazione al riscaldamento nei mesi di Novembre, Dicembre, Gennaio perche con orientamenti non ottimali si ha una resa maggiore tenendo molto freddo l'accumulo ( che verrebbe mantenuto in temperatura dalla serpentina di integrazione ).
Nel caso di Sergio invece ( orientamento SUD perfetto ) la 3 vie manuale c'e' ma non viene mai usata perche la perdita di energia rispetto all'aumento di temperatura nell'accumulo e' irrisoria; in questo caso la serpentina e' sempre inserita.
La regolazione climatica della caldaia poi concorre a far autoadattare gli impianti perche quando c'e' il sole la temperatura esterna aumenta e di conseguenza diminuisce la temperatura di ritorno dell'impianto di riscaldamento con conseguente aumento dell'energia prelevabile dai pannelli... tutto questo SENZA nessun attuatore o regolazione.
Ciao,
F.
Re: Solare,Termocamino,Caldaia,Ricircolo
Ciao,
Ok, le valvole vengono usate in manuale secondo la logica: in inverno e' inutile integrare il riscaldamento con il solare per gli impianti con una esposizione non ottimale. Nel caso di valvole a tre vie motorizzate la regola dovrebbe essere: se Accumulo < temperatura di ritorno = By-passa accumulo, altrimenti passa da accumulo. E' corretto?.
Questo dovrebbe essere lo schema con anche l'acqua sanitaria, in questo caso non c'e' il problema che l'acqua passando sia troppo calda in estate? E' utile mettere una valvole miscelatrice "L" per avere la temperatura max 45° ?. La caldaia a ogni richiesta si accende o verifica la temperatura in arrivo e se già in temperatura non si accende?.
Massimo
Ok, le valvole vengono usate in manuale secondo la logica: in inverno e' inutile integrare il riscaldamento con il solare per gli impianti con una esposizione non ottimale. Nel caso di valvole a tre vie motorizzate la regola dovrebbe essere: se Accumulo < temperatura di ritorno = By-passa accumulo, altrimenti passa da accumulo. E' corretto?.
Questo dovrebbe essere lo schema con anche l'acqua sanitaria, in questo caso non c'e' il problema che l'acqua passando sia troppo calda in estate? E' utile mettere una valvole miscelatrice "L" per avere la temperatura max 45° ?. La caldaia a ogni richiesta si accende o verifica la temperatura in arrivo e se già in temperatura non si accende?.
Massimo
- Allegati
-
- IMPIANTO semplice.wkf.pdf
- (20.55 KiB) Scaricato 283 volte
Re: Solare,Termocamino,Caldaia,Ricircolo
Due valvole motorizzate invece di 8 è un bel successo, hai uno stock di valvole che devi utilizzare per forza?
Scherzo!
Per l'ACS ecco un link di un prodotto completo:
http://www.caleffi.it/it_IT/Technical_b ... /01163.pdf
Non è per fare pubblicità alla Caleffi, ma sono spiegati bene i concetti di base, se lo trovi troppo caro, puoi sempre assemblarlo con componenti di altre marche.
Per il riscaldamento, difficile dare consigli, bisognerebbe sapere qual'è la situazione esistente e cosa vorresti ottenere. oltre a qualche info in più: tipo riscaldamento (termosifoni o pavimento), zona climatica, isolamento abitazione, orientamento tetto, inclinazione ...
Devi poi trovare un idraulico disponibile a realizzare un impianto come vuoi tu.
Scherzo!
Per l'ACS ecco un link di un prodotto completo:
http://www.caleffi.it/it_IT/Technical_b ... /01163.pdf
Non è per fare pubblicità alla Caleffi, ma sono spiegati bene i concetti di base, se lo trovi troppo caro, puoi sempre assemblarlo con componenti di altre marche.
Per il riscaldamento, difficile dare consigli, bisognerebbe sapere qual'è la situazione esistente e cosa vorresti ottenere. oltre a qualche info in più: tipo riscaldamento (termosifoni o pavimento), zona climatica, isolamento abitazione, orientamento tetto, inclinazione ...
Devi poi trovare un idraulico disponibile a realizzare un impianto come vuoi tu.
Re: Solare,Termocamino,Caldaia,Ricircolo
Ciao,
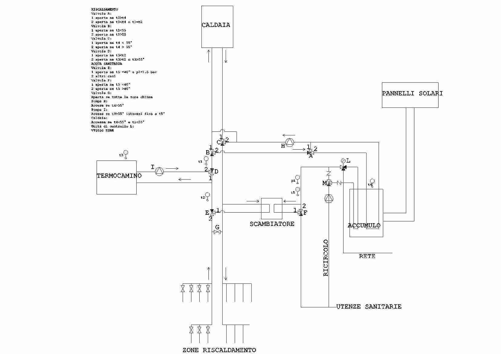
Grazie mbrusa per le info, utilizzando il kit 265 o equivalente e aggiungendo al mio capitolato una caldaia modulante, il nuovo schema dovrebbe essere quello allegato. In questo modo siamo sicuri che alle utenze arriva solo acqua max 45° grazie alla valvola miscelatrice L, nel caso il solare e' freddo, la sonda t4 aziona la valvola motorizza F che fa passare l'acqua nella caldaia. La caldaia in questo caso e' meglio che sia a produzione diretta, visto che per lunghi periodi si userà solo il solare, e' corretto?.
Per quanto riguarda il riscaldamento e' vero che con i termosifoni il ritorno e' alto per cui la valvola "B" in brevi periodo integrerà il riscaldamento tramite il solare, nel caso di pannelli radianti il periodo e' sicuramente piu' lungo e stabile adatto per una valvola manuale. Il mio impianto e' a Milano, la casa e' di 400 mq. con radiatori, abbiamo sostituito i serramenti e adesso ci troviamo i muri che si stanno riempendo di muffa. La casa e' di inizio 900, ristrutturata 30 anni fa', non richiede nessun intervento se non quello migliorativo per la parte energetica. Tra 15 gg mi installano un impianto della Zehender per la ventilazione con recupero del calore con questo penso di risolvere il problema della muffa e migliorare la qualità dell'aria.
Massimo
Grazie mbrusa per le info, utilizzando il kit 265 o equivalente e aggiungendo al mio capitolato una caldaia modulante, il nuovo schema dovrebbe essere quello allegato. In questo modo siamo sicuri che alle utenze arriva solo acqua max 45° grazie alla valvola miscelatrice L, nel caso il solare e' freddo, la sonda t4 aziona la valvola motorizza F che fa passare l'acqua nella caldaia. La caldaia in questo caso e' meglio che sia a produzione diretta, visto che per lunghi periodi si userà solo il solare, e' corretto?.
Per quanto riguarda il riscaldamento e' vero che con i termosifoni il ritorno e' alto per cui la valvola "B" in brevi periodo integrerà il riscaldamento tramite il solare, nel caso di pannelli radianti il periodo e' sicuramente piu' lungo e stabile adatto per una valvola manuale. Il mio impianto e' a Milano, la casa e' di 400 mq. con radiatori, abbiamo sostituito i serramenti e adesso ci troviamo i muri che si stanno riempendo di muffa. La casa e' di inizio 900, ristrutturata 30 anni fa', non richiede nessun intervento se non quello migliorativo per la parte energetica. Tra 15 gg mi installano un impianto della Zehender per la ventilazione con recupero del calore con questo penso di risolvere il problema della muffa e migliorare la qualità dell'aria.
Massimo
- Allegati
-
- IMPIANTO semplice rev1.pdf
- (81.45 KiB) Scaricato 246 volte
Re: Solare,Termocamino,Caldaia,Ricircolo
mparini ha scritto: La caldaia in questo caso e' meglio che sia a produzione diretta, visto che per lunghi periodi si userà solo il solare, e' corretto?.
Esatto. Caldaia istantanea ACS + riscaldamento.
Meglio a condensazione con sonda esterna, mettendo anche le valvole termostatiche sui termosifoni si recupera il 55%.
La sonda per comandare la valvola motorizzata (G), mettila nell'accumulo che è meglio.
L'integrazione al riscaldamento non so quanto potrà essere efficace nella tua situazione. Il costo in più, comunque, sarebbe quello della valvola a 3 vie (B). Oltre a una superfice generosa dei pannelli solari.
Per l'ACS: sul prelievo dalla rete metti una valvola di non ritorno, filtro fine e dosatore di polifosfati (o addolcitore se l'acqua è molto dura).
Per il riscaldamento: con caldaia nuova e termosifoni vecchi, tassativo lavaggio impianto e filtro defangatore.
Ciao
Re: Solare,Termocamino,Caldaia,Ricircolo
Ciao,
Ho modificato il disegno aggiungendo i filtri, ho provato a inserire anche il circuito del ricircolo. Pensavo di usare una valvola 3 con la stessa logica di quella già presente: se l'accumulo e' freddo by-pass, altrimenti passa dall'accumulo.
Massimo
Ho modificato il disegno aggiungendo i filtri, ho provato a inserire anche il circuito del ricircolo. Pensavo di usare una valvola 3 con la stessa logica di quella già presente: se l'accumulo e' freddo by-pass, altrimenti passa dall'accumulo.
Massimo
- Allegati
-
- IMPIANTO semplice rev2.pdf
- (100.91 KiB) Scaricato 255 volte
Re: Solare,Termocamino,Caldaia,Ricircolo
Mah, il ricircolo ACS con accumulo solare e caldaia istantanea non lo vedo tanto bene.
La caldaia istantanea produce acqua calda in alternativa al riscaldamento, non contemporaneamente! Avresti continue commutazioni tra ACS e riscaldamento, oltre a riscaldare l'accumulo alla temperatura di 45°C, quando questo è più freddo (forse per questo pensavi a una valvola a 3 vie).
Invece del ricircolo tradizionale, per comandare la pompa, ti segnalo due sistemi alternativi che ho trovato in rete, valuta tu, sentendo anche l'installatore, quello che ti può andare bene.
1 - Serve un pressostato e due timer, uno per il tempo ON della pompa e uno per il successivo tempo OFF (fino a quando l'acqua nei tubi è ancora calda). Quando hai bisogno di acqua calda apri il rubinetto per un attimo, chiudi, il pressostato fa partire la pompa e il timer ON, aspetti il tempo necessario, riapri il rubinetto ed hai subito acqua calda.
Con queso sistema, meglio usare un circolatore con portata elevata per diminuire il tempo di attesa.
Si risparmia acqua, energia termica, energia elettrica. Bisogna solo aspettare un pò.
C'e anche un dispositivo già pronto (costicchia)
http://www.solaria-lana.it/de_2008_WATERBOY_ok.pdf
2 - Microboiler elettrico da 5/10 litri vicino alle utenze, scollegare la resistenza e usare il termostato per comandare la pompa di ricircolo, quando il boiler arriva alla temperatura impostata, la pompa si ferma. Riparte quando la temperatura si abbassa per un prelievo o per le perdite nel tempo del boiler stesso.
Non so se con una casa di 400mq, te ne basta uno. Ma se fossero di più, servono più pompe?
Diventa un pò complicato.
Attenzione, il circolatore deve pompare anche sul lato freddo del miscelatore, altrimenti d'estate ti trovi ai rubinetti l'acqua a 80°C!
Allego lo schema, controlla, credo sia corretto.
Ciao
La caldaia istantanea produce acqua calda in alternativa al riscaldamento, non contemporaneamente! Avresti continue commutazioni tra ACS e riscaldamento, oltre a riscaldare l'accumulo alla temperatura di 45°C, quando questo è più freddo (forse per questo pensavi a una valvola a 3 vie).
Invece del ricircolo tradizionale, per comandare la pompa, ti segnalo due sistemi alternativi che ho trovato in rete, valuta tu, sentendo anche l'installatore, quello che ti può andare bene.
1 - Serve un pressostato e due timer, uno per il tempo ON della pompa e uno per il successivo tempo OFF (fino a quando l'acqua nei tubi è ancora calda). Quando hai bisogno di acqua calda apri il rubinetto per un attimo, chiudi, il pressostato fa partire la pompa e il timer ON, aspetti il tempo necessario, riapri il rubinetto ed hai subito acqua calda.
Con queso sistema, meglio usare un circolatore con portata elevata per diminuire il tempo di attesa.
Si risparmia acqua, energia termica, energia elettrica. Bisogna solo aspettare un pò.
C'e anche un dispositivo già pronto (costicchia)
http://www.solaria-lana.it/de_2008_WATERBOY_ok.pdf
2 - Microboiler elettrico da 5/10 litri vicino alle utenze, scollegare la resistenza e usare il termostato per comandare la pompa di ricircolo, quando il boiler arriva alla temperatura impostata, la pompa si ferma. Riparte quando la temperatura si abbassa per un prelievo o per le perdite nel tempo del boiler stesso.
Non so se con una casa di 400mq, te ne basta uno. Ma se fossero di più, servono più pompe?
Diventa un pò complicato.
Attenzione, il circolatore deve pompare anche sul lato freddo del miscelatore, altrimenti d'estate ti trovi ai rubinetti l'acqua a 80°C!
Allego lo schema, controlla, credo sia corretto.
Ciao
- Allegati
-
- Schema ricircolo.JPG
- (47.74 KiB) Mai scaricato
Re: Solare,Termocamino,Caldaia,Ricircolo
Ciao mbrusa,
Tra le due soluzioni mi piace di piu' quella WATERBOY.
La valvola a 3 vie evita di portare l'acqua calda all'accumulo in inverno.
Massimo
Tra le due soluzioni mi piace di piu' quella WATERBOY.
La valvola a 3 vie evita di portare l'acqua calda all'accumulo in inverno.
Massimo
Re: Solare,Termocamino,Caldaia,Ricircolo
mparini ha scritto:La valvola a 3 vie evita di portare l'acqua calda all'accumulo in inverno.
Con il sistema WATERBOY la valvola a 3 vie non serve, il tempo di intervento del ricircolo è minimo.
Io non ho il ricircolo, ma se lo dovessi mettere, non ho dubbi, il sistema sarebbe questo!
Ciao
Re: Solare,Termocamino,Caldaia,Ricircolo
Leggendo sul sito Caleffi ho visto questo prodotto http://www.caleffi.it/caleffi/it_IT/Site/Products/Product_news/args/detail/~Details~News~news_detail_0000572/type/news/index.sdo
dovrebbe essere un alternativa al Kit 265 senza sonda e attuatore elettrico.
Per quanto riguarda il problema estivo per non avere l'acqua a 80° e' corretta la modifica?.
Ciao
dovrebbe essere un alternativa al Kit 265 senza sonda e attuatore elettrico.
Per quanto riguarda il problema estivo per non avere l'acqua a 80° e' corretta la modifica?.
Ciao
- Allegati
-
- IMPIANTO semplice rev3.pdf
- (93.38 KiB) Scaricato 255 volte
Ultima modifica di mparini il gio dic 02, 2010 4:32 pm, modificato 2 volte in totale.
Re: Solare,Termocamino,Caldaia,Ricircolo
Si è una alternativa.
Personalmente preferisco quella con comando elettrico, ha il punto d'intervento più preciso e costante ed è già nella posizione corretta prima del prelievo. Io ho questa e mi trovo bene.
Quella termostatica, che andrà montata più vicino possibile all'accumulo, per commutare deve sentire l'arrivo dell'acqua calda, potrebbe deviare in ritardo e far partire lo stesso la caldaia anche con acqua già calda. E' da provare, non ho una esperienza diretta.
Interessante il dispositivo di controllo termostatico, utile per caldaie con potenza minima alta.
Lo schema della miscelazione mi sembra corretto, mentre nel collegamento alla rete, credo che Valvola di non ritorno e WATERBOY siano da invertire tra loro.
Ciao
Personalmente preferisco quella con comando elettrico, ha il punto d'intervento più preciso e costante ed è già nella posizione corretta prima del prelievo. Io ho questa e mi trovo bene.
Quella termostatica, che andrà montata più vicino possibile all'accumulo, per commutare deve sentire l'arrivo dell'acqua calda, potrebbe deviare in ritardo e far partire lo stesso la caldaia anche con acqua già calda. E' da provare, non ho una esperienza diretta.
Interessante il dispositivo di controllo termostatico, utile per caldaie con potenza minima alta.
Lo schema della miscelazione mi sembra corretto, mentre nel collegamento alla rete, credo che Valvola di non ritorno e WATERBOY siano da invertire tra loro.
Ciao
Re: Solare,Termocamino,Caldaia,Ricircolo
Come caldaia quale consigli? Per problemi di spazio e tubi devo installare l'accumulo lontano dalla caldaia ma piu' vicino alle utenze. Pensavo di installare uno scambiatore e utilizzare una caldaia solo riscaldamento, cosa ne pensi?.
Massimo
Massimo
- Allegati
-
- IMPIANTO semplice rev4.pdf
- (90.77 KiB) Scaricato 246 volte
Ultima modifica di mparini il ven dic 03, 2010 6:43 am, modificato 1 volta in totale.
Chi c’è in linea
Visitano il forum: Nessuno e 11 ospiti