Pompa Sanicube non si arresta
Moderatori: sergio&teresa, Jekterm
Re: Pompa Sanicube non si arresta
Ciao a tutti ,
scusate l'intromissione ma sono gli stessi identici problemi che ho avuto io , circa sei mesi fa su suggerimento di Sergio controllai il pozzetto ed era allagato con conseguente danneggiamento della sonda TR , l'assistenza cambiò la sonda ma non il pozzetto perché sembrava a posto.....beh sembrava , difatti sono di nuovo in attesa dell'assistenza perché da un paio di giorni ho fermato l'impianto perché di nuovo pozzetto allagato e accertato che il tappo sul fondo non è più a tenuta stagna ed in più questa volta sonda TS in corto.
Che dire oltre al fatto che sono incaz.... nero con la rotex e non gliele mando a dire questa volta , perché a problema segnalato 6 mesi prima non hanno fatto nulla o quasi e se comunque fosse un problema di condensa sarebbe ancor piu scandaloso perché vuol dire che ci sarebbe un problema di progettazione del pozzetto sonde inaccettabile...vi terrò aggiornati
scusate l'intromissione ma sono gli stessi identici problemi che ho avuto io , circa sei mesi fa su suggerimento di Sergio controllai il pozzetto ed era allagato con conseguente danneggiamento della sonda TR , l'assistenza cambiò la sonda ma non il pozzetto perché sembrava a posto.....beh sembrava , difatti sono di nuovo in attesa dell'assistenza perché da un paio di giorni ho fermato l'impianto perché di nuovo pozzetto allagato e accertato che il tappo sul fondo non è più a tenuta stagna ed in più questa volta sonda TS in corto.
Che dire oltre al fatto che sono incaz.... nero con la rotex e non gliele mando a dire questa volta , perché a problema segnalato 6 mesi prima non hanno fatto nulla o quasi e se comunque fosse un problema di condensa sarebbe ancor piu scandaloso perché vuol dire che ci sarebbe un problema di progettazione del pozzetto sonde inaccettabile...vi terrò aggiornati
- sergio&teresa
- Messaggi: 2005
- Iscritto il: mer giu 24, 2009 10:29 pm
Re: Pompa Sanicube non si arresta
Non so dirti, io ho l'impianto e il Sanicube da più di sei anni ormai, è un problema che finora non ho avuto. Capisco l'incazzatura e anche io tengo gli occhi aperti sul fondo del pozzetto.
Segui il mio impianto su Portalsole:
Liveplant3
Liveplant3
Re: Pompa Sanicube non si arresta
"Ultrac, ma come ti hanno collegato il solare alla caldaia?"
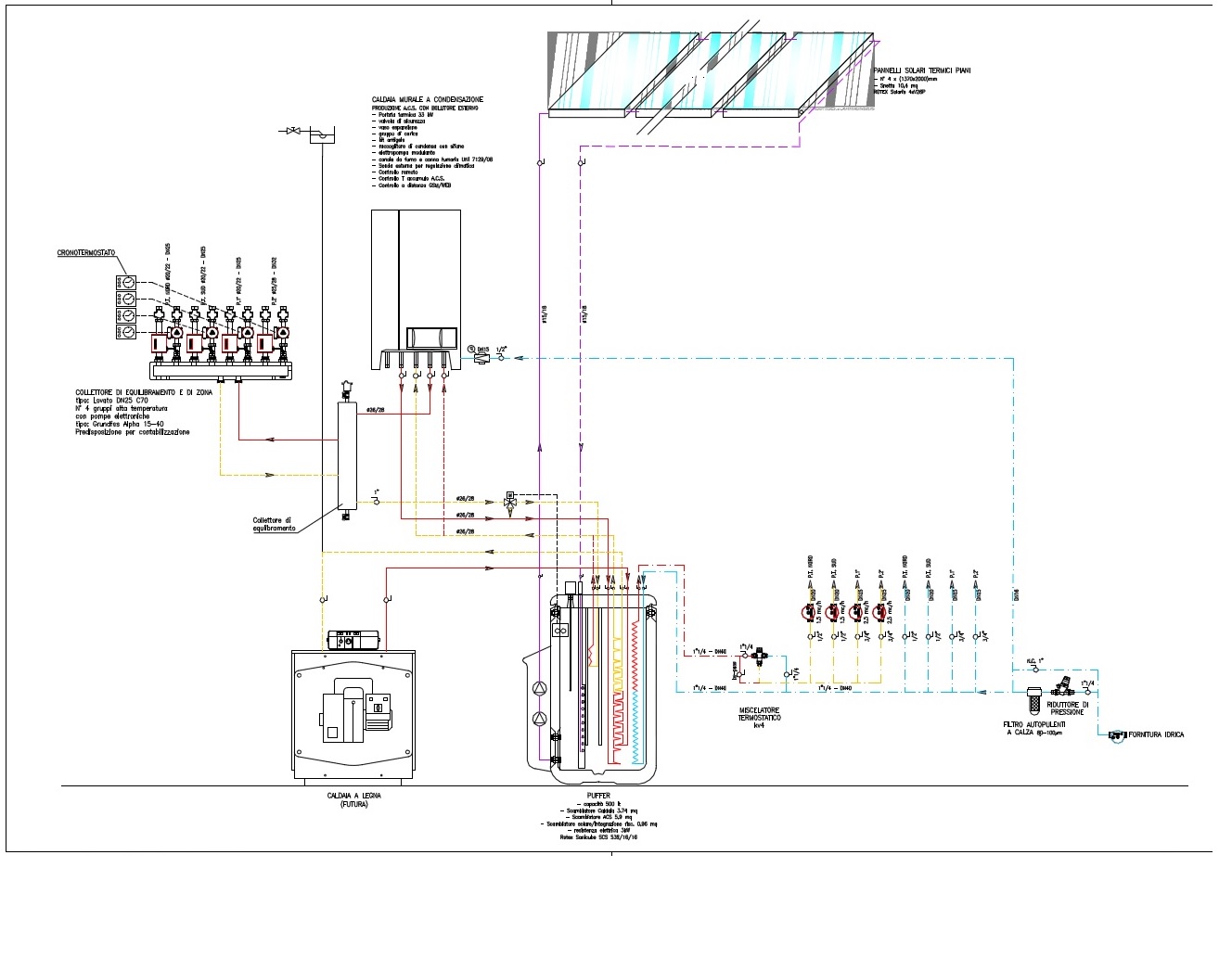
non essendo esperto allego lo schema del realizzato,
..continuando con il mio resoconto... ieri sono riuscito a far partire l'acs sostituendo il filo della sonda IMMERGAS, ma questa mattina di nuovo non funzionava, spero nel pomeriggio di trovare una sonda nuova.
Ho avvisato sia il fornitore che l'installatore del problema dell'acqua nel pozzetto, e sono rimasti stupiti, penso comunque di farmi fare "artigianalmente" un porta sonda con fondo sigillato, poiché confido poco nel tappo in plastica sul fondo,
buona giornata
non essendo esperto allego lo schema del realizzato,
..continuando con il mio resoconto... ieri sono riuscito a far partire l'acs sostituendo il filo della sonda IMMERGAS, ma questa mattina di nuovo non funzionava, spero nel pomeriggio di trovare una sonda nuova.
Ho avvisato sia il fornitore che l'installatore del problema dell'acqua nel pozzetto, e sono rimasti stupiti, penso comunque di farmi fare "artigianalmente" un porta sonda con fondo sigillato, poiché confido poco nel tappo in plastica sul fondo,
buona giornata
- Allegati
-
- schema.jpg
- (185.41 KiB) Mai scaricato
Re: Pompa Sanicube non si arresta
In effetti Ultrac non hai tutti i torti...chi fa da se fa per tre , ormai mi ha richiamato l'assistenza e mi ha detto che provvede ad ordinare il pozzetto nuovo più le sonde TR e TS (questa sicuramente è andata) anche se quando gli ho spiegato per telefono il problema a differenza tua non mi è sembrato stupito affatto.
Vista l'esperienza comunque mi munirò di una pompetta di sentina manuale o elettrica da pochi euro ed ogni mese farò una verifica , anche perchè smontare tutte le volte il pozzetto non mi va , così anche in caso di acqua da condensa almeno salvo le sonde e non devo chiamare l'assistenza.
La cosa che mi fa irritare di più è il fatto di non trovare i ricambi da nessuna parte (credimi che mi sono dato da fare parecchio) e quindi tutte le volte che c'è un guasto siamo costretti a chiamare loro con conseguente esborso di denaro
Vi terrò comunque aggiornati dopo l'intervento dell'assistenza che avverrà dopo il 6 Gennaio
Ciao e buon anno a tutti
Daniele
Vista l'esperienza comunque mi munirò di una pompetta di sentina manuale o elettrica da pochi euro ed ogni mese farò una verifica , anche perchè smontare tutte le volte il pozzetto non mi va , così anche in caso di acqua da condensa almeno salvo le sonde e non devo chiamare l'assistenza.
La cosa che mi fa irritare di più è il fatto di non trovare i ricambi da nessuna parte (credimi che mi sono dato da fare parecchio) e quindi tutte le volte che c'è un guasto siamo costretti a chiamare loro con conseguente esborso di denaro
Vi terrò comunque aggiornati dopo l'intervento dell'assistenza che avverrà dopo il 6 Gennaio
Ciao e buon anno a tutti
Daniele
- sergio&teresa
- Messaggi: 2005
- Iscritto il: mer giu 24, 2009 10:29 pm
Re: Pompa Sanicube non si arresta
Ultrac, a quanto vedo hai il Sanicube "in carico", ovvero con caldaia a legna e caldaia a gas che scaldano l'accumulo. Non so se la stufa a legna ce l'hai accesa, in ogni caso se la T in accumulo è troppo bassa vuol dire che devi sistemare qualcosa nella configurazione della caldaia, che normalmente lavora per tenere una T prefissata in accumulo. Verifica quanto dovrebbe essere questa T, e le ore in cui viene programmato il carico del Sanicube, forse sono troppo poche.
Segui il mio impianto su Portalsole:
Liveplant3
Liveplant3
Re: Pompa Sanicube non si arresta
sergio&teresa ha scritto:Forse inizio a capire perché Rotex consiglia di non tenere la sonda TR appoggiata sul fondo....
Sembra risolto, tienici informati....
Quello che vedo in giro io è che quasi nessuno installa il tappo che Rotex fornisce per chiudere il pozzetto...
Naturalmente viene bollato come inutile da quasi tutti gli installatori, salvo ignorare che ha la funzione di evitare la ricondensa di acqua nel pozzetto.
A parte il caso di un pozzetto forato.. normalmente l'acqua che vi si trova viene dalla condensa di vapore che avviene appena sopra il pozzetto.
Ciao,
F.
Re: Pompa Sanicube non si arresta
fcattaneo ha scritto:Quello che vedo in giro io è che quasi nessuno installa il tappo che Rotex fornisce per chiudere il pozzetto...
Ciao Fabrizio , se per questo tappo fai riferimento a quello di colore nero dove vanno in appoggio le fascette ferma-cavo delle sonde TR e TS ,
bhe io ce l'ho installato sin dal primo giorno di vita dell'impianto.
fcattaneo ha scritto:normalmente l'acqua che vi si trova viene dalla condensa di vapore che avviene appena sopra il pozzetto.
Se fosse così (cosa molto probabile , anche se il mio ora perde da sotto) sarai d'accordo con me che c'è un grosso errore di progettazione da parte della Signora Rotex , oppure sono in malafede e quindi speculi sui ricambi delle sonde TR e TS che a contatto con l'acqua si danneggiano e a me è già la seconda volta in soli 6 mesi in 3 anni e mezzo di vita dell'impianto , oltre al fatto che i ricambi sono reperibili solo attraverso i canali ufficiali dell'assistenza e quindi ogni volta soldi soldi soldi
Le soluzioni sarebbero 2 a mio modo di vedere se il problema condensa non è risolvibile in altro modo :
1-Informare l'utente utilizzatore e fornire una pompetta manuale tipo quella per travasare i liquidi da una damigiana all'altra e far compiere l'operazione
di scarico condensa ogni tot mesi.
2-Fornire delle sonde impermeabili che a contatto con l'acqua non si danneggino.
Adesso non credo che voi abbiate mai avuto questo problema , però in rete di gente che lamenta questo difetto ce né eccome.
Ciao Daniele
Re: Pompa Sanicube non si arresta
Buonasera,
siamo alla solite sono riuscito a procurarmi una sonda nuova della caldaia a gas, e così ho risolto la produzione di ACS e alla sera del 28 prima di partire controllo il sanicube e la pompa che si è regolarmente fermata.
Rientro dopo 3 giorni vado subito in centrale termica e mi accorgo che alle 17:30 (il sole è tramontato da due ore) la pompa continua ad andare, sono amareggiato, perché il pozzetto è asciutto ed altri problemi sembra non ci siano, ho fatto un report per capire se sono le sonde del sanicube da sostituire, probabilmente si sono alterate rimanendo in ammollo, oppure qualche altro parametro da aggiustare, come vedete dal report ho provato la logica ed ho messo il DeltaToff a 14, cosa devo fare?
Grazie molte
ultrac
27 dic 2015 (tutto OK)
ore15:50 tk24 tv0,0 25 ts48 tr32
ore 20:10 tk0 tv0,0 18 ts39 tr10
ore 21:30 tk -1 tv 0,0 16 ts33 tr11
28 dic 2015 (tutto OK)
ore 16:47 tk 8 tv0,0 17 ts41 tr27
31 dic 2015 (pompa on e quindi spengo impianto)
ore 17:30 tk 20 tv 0,0 27 ts42 tr11
1 gen 2016
ore 10:30 tk 36 tv 0,0 16 ts48 tr7
sole tramontato ore 15:36
ore 15:52 pompa on tk32 tv 3,9 34 ts 47 tr 19
ore 16:40 pompa on tk 27 tv 3,9 30 ts 47 tr17
ore 17:00 pompa on tk25 tv3,9 28 ts 46 tr13
ho messo dtoff a 14 e si è spenta
ore 17:13 pompa off (ovviamente) tk11 tv0,0 21 ts46 tr12
ore 18:50 pompa off tk -3 tv0,0 17 ts 47 (intervenuta la caldaia acs impostata a 47) tr 5
ore 19:52 pompa off tk-5 tv 0,0 17 ts 50 tr 4
siamo alla solite sono riuscito a procurarmi una sonda nuova della caldaia a gas, e così ho risolto la produzione di ACS e alla sera del 28 prima di partire controllo il sanicube e la pompa che si è regolarmente fermata.
Rientro dopo 3 giorni vado subito in centrale termica e mi accorgo che alle 17:30 (il sole è tramontato da due ore) la pompa continua ad andare, sono amareggiato, perché il pozzetto è asciutto ed altri problemi sembra non ci siano, ho fatto un report per capire se sono le sonde del sanicube da sostituire, probabilmente si sono alterate rimanendo in ammollo, oppure qualche altro parametro da aggiustare, come vedete dal report ho provato la logica ed ho messo il DeltaToff a 14, cosa devo fare?
Grazie molte
ultrac
27 dic 2015 (tutto OK)
ore15:50 tk24 tv0,0 25 ts48 tr32
ore 20:10 tk0 tv0,0 18 ts39 tr10
ore 21:30 tk -1 tv 0,0 16 ts33 tr11
28 dic 2015 (tutto OK)
ore 16:47 tk 8 tv0,0 17 ts41 tr27
31 dic 2015 (pompa on e quindi spengo impianto)
ore 17:30 tk 20 tv 0,0 27 ts42 tr11
1 gen 2016
ore 10:30 tk 36 tv 0,0 16 ts48 tr7
sole tramontato ore 15:36
ore 15:52 pompa on tk32 tv 3,9 34 ts 47 tr 19
ore 16:40 pompa on tk 27 tv 3,9 30 ts 47 tr17
ore 17:00 pompa on tk25 tv3,9 28 ts 46 tr13
ho messo dtoff a 14 e si è spenta
ore 17:13 pompa off (ovviamente) tk11 tv0,0 21 ts46 tr12
ore 18:50 pompa off tk -3 tv0,0 17 ts 47 (intervenuta la caldaia acs impostata a 47) tr 5
ore 19:52 pompa off tk-5 tv 0,0 17 ts 50 tr 4
Re: Pompa Sanicube non si arresta
ultrac ha scritto:
sole tramontato ore 15:36
ore 15:52 pompa on tk32 tv 3,9 34 ts 47 tr 19
ore 16:40 pompa on tk 27 tv 3,9 30 ts 47 tr17
ore 17:00 pompa on tk25 tv3,9 28 ts 46 tr13
Mi sembra evidente che la TR non funziona...
Dato che TK < di TV significa che il calore è immesso ai pannelli ( significa che stanno funzionando al contrario cioè dissipano energia invece che catturarla ed è logico perche il sole è tramontato).
Mentre TS > di TR di quasi 30 gradi con pompa in moto è chiaramente impossibile.
In questa particolare condizione la TR reale deve porsi come valore tra la TV e la TS quindi maggiore di TV e minore di TS quindi dovrebbe stare tra 34 e 47 gradi... invece segna 19.
La TR è da sostituire.
F.
Re: Pompa Sanicube non si arresta
Ciao ultrac ,
come ti aveva già detto Sergio in precedenza e vista la mia esperienza il problema lo risolvi solo sostituendo la sonda TR che si sarà danneggiata.
Quando mi successe a me la prima volta del pozzetto allagato e dopo che mi è stata sostituita la TR l'impianto mi si ferma anche con Dtoff 1.
Il problema vero è avere la certezza che il pozzetto non si allaghi più e purtroppo questo non te la darà nessuno , soprattutto se è un problema di condensa.
Ciao Daniele
come ti aveva già detto Sergio in precedenza e vista la mia esperienza il problema lo risolvi solo sostituendo la sonda TR che si sarà danneggiata.
Quando mi successe a me la prima volta del pozzetto allagato e dopo che mi è stata sostituita la TR l'impianto mi si ferma anche con Dtoff 1.
Il problema vero è avere la certezza che il pozzetto non si allaghi più e purtroppo questo non te la darà nessuno , soprattutto se è un problema di condensa.
Ciao Daniele
Re: Pompa Sanicube non si arresta
Ciao,
grazie per le celeri risposte, mi sto già muovendo per avere al più presto la sonda Tr, secondo voi devo sostituire anche la Ts?
Comunque sono sempre più intenzionato a farmi fare "artigianalmente" un porta sonda con fondo sigillato, o modificare quello originale, vi tengo informati sulle modifiche.
Grazie ancora per avermi salvato in questi giorni di vacanza.
grazie per le celeri risposte, mi sto già muovendo per avere al più presto la sonda Tr, secondo voi devo sostituire anche la Ts?
Comunque sono sempre più intenzionato a farmi fare "artigianalmente" un porta sonda con fondo sigillato, o modificare quello originale, vi tengo informati sulle modifiche.
Grazie ancora per avermi salvato in questi giorni di vacanza.
Re: Pompa Sanicube non si arresta
Prova ad estrarlo e ripararlo ( magari brasando un tappo di rame sul fondo.
potrebbe essere una soluzione..
potrebbe essere una soluzione..
Re: Pompa Sanicube non si arresta
Ciao a tutti ,
teoricamente la TS non dovrebbe essere danneggiata almeno che non hai trovato acqua fino a 3/4 del pozzetto..io purtroppo ho anche la TS da sostituire dopo che a distanza di 6 mesi mi si è allagato due volte il pozzetto.
Bene la riparazione , basta che ti accerti che sia a tenuta stagna , ma come ti ho già detto servirà a poco se l'acqua che allaga il pozzetto è causata da condensa e non da una falla del tappo sul fondo.
teoricamente la TS non dovrebbe essere danneggiata almeno che non hai trovato acqua fino a 3/4 del pozzetto..io purtroppo ho anche la TS da sostituire dopo che a distanza di 6 mesi mi si è allagato due volte il pozzetto.
Bene la riparazione , basta che ti accerti che sia a tenuta stagna , ma come ti ho già detto servirà a poco se l'acqua che allaga il pozzetto è causata da condensa e non da una falla del tappo sul fondo.
Re: Pompa Sanicube non si arresta
ciao a tutti, con la sostituzione delle sonde sembra sia andato tutto bene (la settimana prossimo monto il pozzetto con tappo saldato artigianalmente e posto le foto), ma oggi nuovo problema:
mi trovo le pompe ferme con pieno sole, e F lampeggiante, ho spento l’impianto e riacceso e la portata rimane sempre 0,0 , e dopo un po’ si ferma tutto con il solito lampeggio dell’indicazione di stato F, provo a farla andare manualmente per 15 minuti ma la portata rimane sempre a zero, e spegnendo e riaccendendo il sanicube parte e dopo i due minuti si ferma con la seguente situazione:
TK 104; TV 0,0 lampeggiante (anche lampeggia W) mandata 14 ; TS 29 TR 21
Cos’è che non va? Si è gelata forse l’acqua la temperatura esterna è di 3° e di notte -14°
molte grazie
mi trovo le pompe ferme con pieno sole, e F lampeggiante, ho spento l’impianto e riacceso e la portata rimane sempre 0,0 , e dopo un po’ si ferma tutto con il solito lampeggio dell’indicazione di stato F, provo a farla andare manualmente per 15 minuti ma la portata rimane sempre a zero, e spegnendo e riaccendendo il sanicube parte e dopo i due minuti si ferma con la seguente situazione:
TK 104; TV 0,0 lampeggiante (anche lampeggia W) mandata 14 ; TS 29 TR 21
Cos’è che non va? Si è gelata forse l’acqua la temperatura esterna è di 3° e di notte -14°
molte grazie
Re: Pompa Sanicube non si arresta
Ciao ultrac ,
vedo che anche tu in quanto a sfiga stai messo piuttosto bene

Il problema che hai può essere causato da alcuni fattori che ti elenco in ordine sparso :
1-Tappino nero valvola sfiato della pompa (o altre valvole di sfiato se ne hai) troppo avvitato e/o chiuso (deve essere aperto o svitato)
2-Perdita nell'impianto
3-Cosa molto meno probabile ma mi è successa pochissimi giorni fa (dopo intervento assistenza per cambio pozzetto) gruppo pompe allentato
4-Tappo di ghiaccio nei tubi
5-Aria nell'impianto
Altro non mi viene in mente vediamo se Fabrizio o Sergio riescono ad aiutarti meglio di me.
P.S.
TK104° a gennaio
ti invidio da morire
Ciao Daniele
vedo che anche tu in quanto a sfiga stai messo piuttosto bene
Il problema che hai può essere causato da alcuni fattori che ti elenco in ordine sparso :
1-Tappino nero valvola sfiato della pompa (o altre valvole di sfiato se ne hai) troppo avvitato e/o chiuso (deve essere aperto o svitato)
2-Perdita nell'impianto
3-Cosa molto meno probabile ma mi è successa pochissimi giorni fa (dopo intervento assistenza per cambio pozzetto) gruppo pompe allentato
4-Tappo di ghiaccio nei tubi
5-Aria nell'impianto
Altro non mi viene in mente vediamo se Fabrizio o Sergio riescono ad aiutarti meglio di me.
P.S.
TK104° a gennaio
Ciao Daniele
Torna a “Impianti Daikin/Rotex”
Chi c’è in linea
Visitano il forum: Nessuno e 5 ospiti