Integrazione riscaldamento...Conviene?

Domande sulle soluzioni impiantistiche e le migliori pratiche del solare termico.

Moderatori: sergio&teresa, paolo

Avatar utente
siltento
Messaggi: 15
Iscritto il: dom gen 20, 2013 12:23 am

Re: Integrazione riscaldamento...Conviene?

Messaggioda siltento » mer feb 20, 2013 12:27 am

Rieccomi


Il fabbisogno per riscaldamento ci casa é calcolato in circa 8kw. Aggiungendo che saremo in 5 persone per ACS, il TT mi dice che non vuole installare una caldaia sovradimensionata per produzione istantanea ACS ma una con potenza di circa 15 kw che può modulare in basso fino a 1,5 kw. Avremo radiante a pavimento.

Lo schema in al caso deve prevedere buffer a cui collego solare alla serpentina più bassa, caldaia a quella più alta e mettendo la stufa idro a qulla intermedia eventualmente. Così facendo la Acs può essere prodotta instananamente con serpentino che attraversa dal basso all'alto il buffer di acqua tecnica. La caldaia può avere potenza ridotta.
Ma questo come dice dotino limiterebbe la produzione solare. Giusto ?


Lo scenario consigliato mi pare prevede buffer tecnico per solare per ACS con sua serpentina dal basso verso alto, stile sanicube, che poi in serievfinisce in caldaia se la T non é sufficiente. In aiuterò caso pero la caldaia deve avere potenze per garantire la produzione istantanea di ACS. giusto?

Leggendo qua e là ho percepito che gli impianti non vanno sovradimesnionati. Quindi non comprendo più la logica da seguire.
:shock:
Allegati
1358286068.png
(61.48 KiB) Mai scaricato
Ristrutturazione cascina
Zona E/Rogeno (Lc)
G-2484
I-254
Muri:sasso/pietra 40 cm+EPS grafite 10 cm
Serr.:doppio vetro-legno-Argon-Ug1,1-Uw1,25
VMC
Radianti pavimento
Generatore termico ?
https://picasaweb.google.com/1182030832 ... cinaDerna#

STAFF
Site Admin
Messaggi: 1850
Iscritto il: mar nov 27, 2007 7:44 pm
Contatta:

Re: Integrazione riscaldamento...Conviene?

Messaggioda STAFF » mer feb 20, 2013 5:58 pm

siltento ha scritto:
Lo schema in al caso deve prevedere buffer a cui collego solare alla serpentina più bassa, caldaia a quella più alta e mettendo la stufa idro a qulla intermedia eventualmente. Così facendo la Acs può essere prodotta instananamente con serpentino che attraversa dal basso all'alto il buffer di acqua tecnica. La caldaia può avere potenza ridotta.
Ma questo come dice dotino limiterebbe la produzione solare. Giusto ?



E' il classico schema di impianto mediocre che pero alla fine molti fanno perche e' semplice e perche permette idraulicamente tutto; ( male ma tutto ).

Con quello schema non e' ottimizzato il solare ma soprattutto non e' ottimizzata la caldaia e la regolazione della T al pavimento ( che risulta a T fissa e non climatica).

Si potrebbe al limite renderla climatica mantenendo quello schema circuitale, mettendo una miscelatrice climatica.. ma il costo sale di moltissimo e nessuno poi lo fa.

Io mettrei una caldaia che scalda un accumulo dedicato x ACS ( cosi puo essere usata una caldaia di bassa potenza che e' preferibile ), ma il solare termico e il termocamino, li metterei su un accumulo posto in scarico, accettando il fatto che quando esso e' scaldato dalla legna avra' una resa solare bassa ( ma questo puo essere aggirato usando la termostufa solo di notte o solo saltuariamente ).

Una soluzione di questo tipo permette alla caldaia di lavorare alla resa massima e in regolazione climatica che e' assolutamente il primo obiettivo da raggiungere; il ritorno del solare entrerebbe nell'accumulo in scarico e uscirebbe comandato da una valvola miscelatrice termostatica settata alla T massima sopportabile dal pavimento ( una protezione inutile con il solare termico ma necessaria se tale aaccumulo puo venire scaldato anche dalla termostufa ).

Ciao,
F.

Avatar utente
siltento
Messaggi: 15
Iscritto il: dom gen 20, 2013 12:23 am

Re: Integrazione riscaldamento...Conviene?

Messaggioda siltento » gio feb 21, 2013 12:14 am

Grazie fabrizio!

ma il riscaldamento con cosa lo faresti?

Solo con il solare e la stufa o si prevede un passaggio in caldaia in caso di necessità?


che ne dici di questo schema invece?
caldaia a condensazione in diretta sull'impianto radiante con sezione ACS alimentata da un solare termico a svuotamento con un suo accumulo indipendente da 300 litri.
Valvola a tre vie motorizzata in ingresso alla sezione acs, se la temperatura dell'accumulo è inferiore a 45°C passa nella sezione ACS della caldaia, altrimenti va alle utenze.

Il solare termico funziona sempre: in inverno preriscalda, mezze stagioni va integrato, d'estate autonomo.
Allegati
IMG-20130221-00370.jpg
(465.19 KiB) Mai scaricato
Ristrutturazione cascina
Zona E/Rogeno (Lc)
G-2484
I-254
Muri:sasso/pietra 40 cm+EPS grafite 10 cm
Serr.:doppio vetro-legno-Argon-Ug1,1-Uw1,25
VMC
Radianti pavimento
Generatore termico ?
https://picasaweb.google.com/1182030832 ... cinaDerna#

STAFF
Site Admin
Messaggi: 1850
Iscritto il: mar nov 27, 2007 7:44 pm
Contatta:

Re: Integrazione riscaldamento...Conviene?

Messaggioda STAFF » gio feb 21, 2013 4:21 pm

Lo schema che hai postato va bene ( a parte la miscelatrice che va in uscita all'accumulo e non dopo la caldaia.)

..ma io ti avevo spiegato un sistema che prevedesse integrazione solare al riscalamento e termostufa..... con il tuo schema hai solo ACS con il solare e senza termostufa.

Va bene comunque.. almeno la caldaia cosi rende al massimo.

Ciao,
F.

Avatar utente
siltento
Messaggi: 15
Iscritto il: dom gen 20, 2013 12:23 am

Re: Integrazione riscaldamento...Conviene?

Messaggioda siltento » gio feb 21, 2013 6:58 pm

Ok grazie.


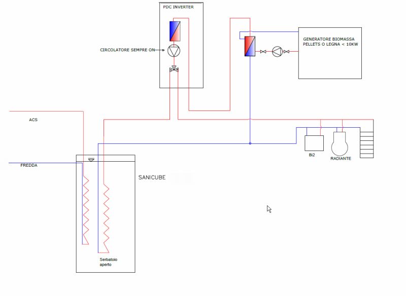
ho cercato di metter giù lo schema che mi avevi consigliato (soluzione 1) sembre con uso caldaia e stufa e solare. e' corretto?

in agigunta, raccolgo anche la tua indicazione sulla PDC + FV e allego schema alternativo (soluzione 2) doveho però inserito sempre la stufa.

che ne pensi di entrambi?
Allegati
soluzione 1.pdf
(143.49 KiB) Scaricato 298 volte
soluzione 2.jpg
(22.22 KiB) Mai scaricato
Ristrutturazione cascina
Zona E/Rogeno (Lc)
G-2484
I-254
Muri:sasso/pietra 40 cm+EPS grafite 10 cm
Serr.:doppio vetro-legno-Argon-Ug1,1-Uw1,25
VMC
Radianti pavimento
Generatore termico ?
https://picasaweb.google.com/1182030832 ... cinaDerna#


Torna a “Solare Termico”



Chi c’è in linea

Visitano il forum: Nessuno e 18 ospiti